マリン用品の通販王
ネオネットマリンWEB本店


HOME

■純正部品

 > 

ヤマハ

 > 

F50

 > 
F50F 2009 6C15-EHT
  • トップカウリング

    トップカウリング

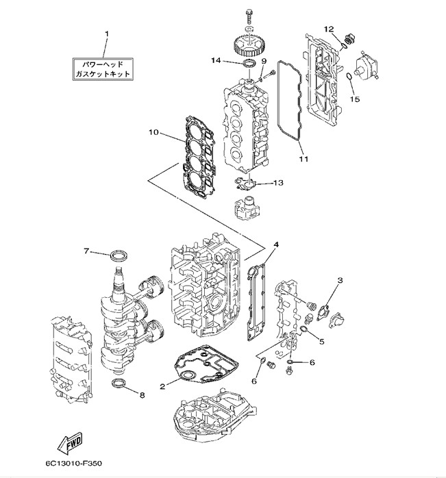
  • シリンダ、クランクケース1

    シリンダ、クランクケース1

  • クランクシャフト、ピストン

    クランクシャフト、ピストン

  • シリンダ、クランクケース2

    シリンダ、クランクケース2

  • バルブ

    バルブ

  • インテーク1

    インテーク1

  • インテーク2

    インテーク2

  • フュエルインジェクションポンプ1

    フュエルインジェクションポンプ1

  • フュエルインジェクションポンプ2

    フュエルインジェクションポンプ2

  • オイルポンプ

    オイルポンプ

  • フュエル

    フュエル

  • ゼネレータ

    ゼネレータ

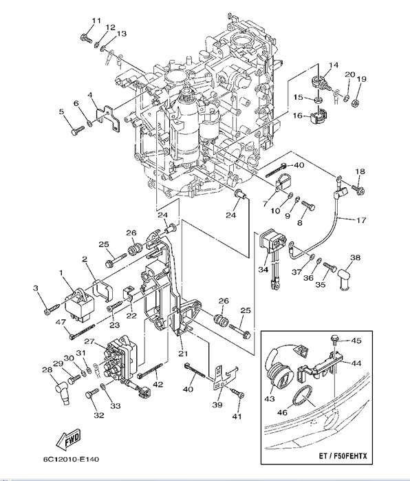
  • エレクトリカル1

    エレクトリカル1

  • エレクトリカル2

    エレクトリカル2

  • エレクトリカル3

    エレクトリカル3

  • エレクトリカル4

    エレクトリカル4

  • スターティングモータ

    スターティングモータ

  • ボトムカウリング1

    ボトムカウリング1

  • ボトムカウリング2

    ボトムカウリング2

  • ステアリング1

    ステアリング1

  • ステアリング2

    ステアリング2

  • ステアリングフリクション

    ステアリングフリクション

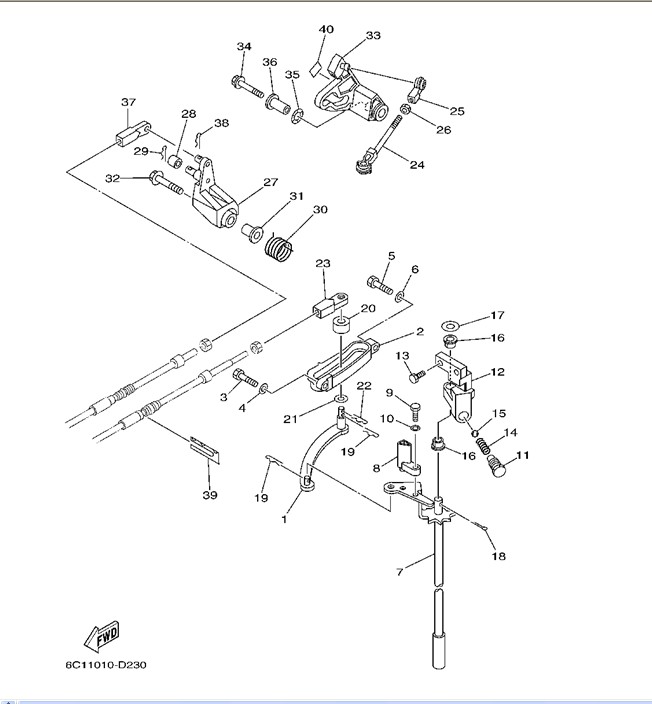
  • コントロール

    コントロール

  • ブラケット2

    ブラケット2

  • ブラケット3

    ブラケット3

  • パワートリム、チルトアセンブリ1

    パワートリム、チルトアセンブリ1

  • パワートリム、チルトアセンブリ2

    パワートリム、チルトアセンブリ2

  • アッパーケーシング

    アッパーケーシング

  • オイルパン

    オイルパン

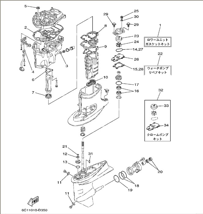
  • ロワーケーシング、ドライブ1

    ロワーケーシング、ドライブ1

  • ロワーケーシング、ドライブ2

    ロワーケーシング、ドライブ2

  • リペアキット1

    リペアキット1

  • リペアキット2

    リペアキット2

ページトップへ